

进口低阻力倒流防止器描述--
ALSO低阻力倒流防止器利用水力控制原理设计,具有结构紧凑,隔断可靠,水头损失小,体积水,重量轻,安装维修方便等特点,主要应用在供水系统,用水系统和市政管道系统中,能有效防止和隔断不洁净的水倒流污染生活饮用水。
进口低阻力倒流防止器主要参数及曲线图--

进口低阻力倒流防止器运作过程--
1.运作参数
P1--进水端笫-级阀瓣前的压力 P2--中间腔的压力 P3--出水端笫二级阀瓣后的压力
2.开启状态
介质正向流动时P1大于P3进出口两级阀瓣均开启,介质从进口端流经中间腔,由出口端流出,同时进出口之间产生正向压差△P使排水器关闭不排水。
3.关闭状态
当P3大于P1时,进出口阀瓣受水流控制作用自动关闭,同时进出口之间产生反向压差-△P,使排水器打开,并维持最大排泄量,使主阀中间腔与大气相通,形成空气隔断,切断回流水倒流污染进口端,具有防污隔断功能。
进口低阻力倒流防止器防渗漏特性--
产品经过严格的安全设计,在P3大于P1时,主阀关闭,此时因阀瓣不密封,密封件磨损、老化等原因,产生介质渗漏,都能将渗漏到中间腔的介质通过排水器迅速排出阀外,避免对进口端的回流污染。
进口低阻力倒流防止器材质表--
阀体:球墨铸铁、铸钢、不锈钢
阀瓣:不锈钢
阀套:不锈钢
排水器:不锈钢、铜合金
密封件:三元乙丙橡胶,硅橡胶
外接配件:不锈钢、铜合金
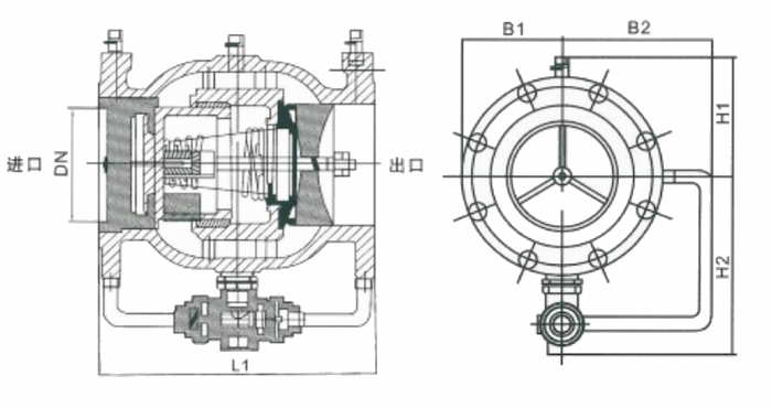
进口低阻力倒流防止器外形尺寸--

|
通径DN |
DN 50 |
DN 65 |
DN 80 |
DN 100 |
DN 125 |
DN 150 |
DN 200 |
DN 250 |
DN 300 |
|
L1 |
190 |
210 |
225 |
250 |
250 |
340 |
400 |
460 |
540 |
|
H1 |
132 |
142 |
150 |
160 |
160 |
192 |
220 |
252 |
280 |
|
H2 |
160 |
166 |
176 |
195 |
195 |
235 |
266 |
305 |
350 |
|
B1 |
83 |
93 |
100 |
110 |
110 |
143 |
170 |
203 |
230 |
|
B2 |
133 |
143 |
170 |
180 |
180 |
213 |
240 |
273 |
400 |
进口低阻力倒流防止器安装示意图--

联系电话
微信扫一扫